Specials
Spiegel
Teslatrafo
HV-Trafo
HV - Netzteil
Generator
Verzerrer
Lauflicht
Relais
Stepseparator
Lichtautomat
Sprachfilter
Motorsteuerung
Blinklicht
Vorverstärker
Nachlauf
Leistungssteller
Klangregelung
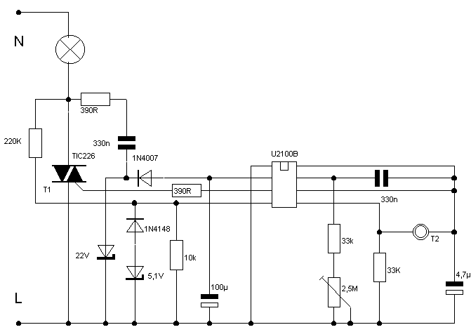
Lichtautomat

Die gezeigte Schaltung ist eine Telefunken Applikation.

Beachten Sie die Rechte Dritter und bedenken Sie:

Basteln an Netzspannung ist tödlich.

Wie gehabt, Anpassung des Gatewiderstandes je nach Triac und die Schaltung ist OK.