Specials
Spiegel
Teslatrafo
HV-Trafo
HV - Netzteil
Generator
Verzerrer
Lauflicht
Relais
Stepseparator
Lichtautomat
Sprachfilter
Motorsteuerung
Blinklicht
Vorverstärker
Nachlauf
Leistungssteller
Klangregelung
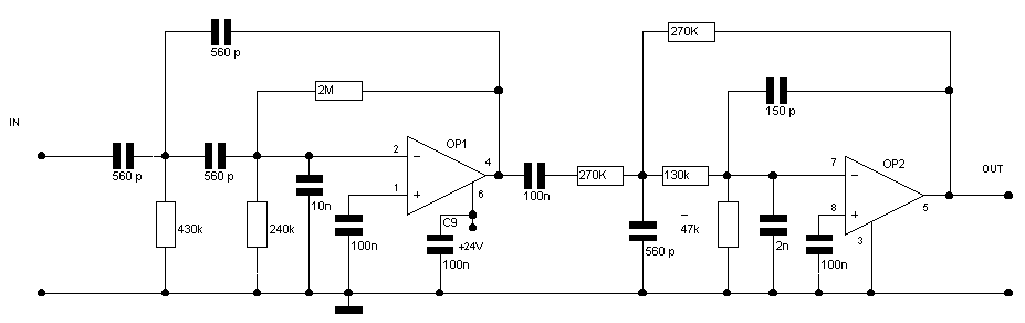
Sprachfilter

Die vorgestellte Schaltung ist eine National Semiconductor Applikation.

Bitte beachten Sie die Rechte Dritter.

Die angegebenen Werte sind nicht gerade an jeder Ecke zu bekommen. Bei Einhaltung der genauen Werte und der Verwendung von Styroflex Kondensatoren, Metallfilmwiderständen und ausgesucht rauscharmen Operationsverstärkern werden die angegebenen Daten nicht nur erreicht, sondern noch übertroffen.

    Eckfrequenzen

    300 Hz – 3 kHz

    Absenkung

    - 40 db / Dekade

    THD

    0,07% bei 0 dbm Signal bei 1 kHz

    Rauschen bei kurz - geschlossenem Eingang

    150 µV

    Rausch - Signalabstand

    74 dbm

     

     

     

     

     

    Sollten Sie also eine Raumüberwachung planen ......

    Mit einem rauscharmen Mikrofonverstärker und diesem Filter geht Ihnen nichts verloren. Bei einem Aufbau in SMD werden die Werte etwas schlechter, da die Bauteile dann sicher nur mit etwas größeren Toleranzen erhältlich sind, aber das Ergebnis ist immer noch gut.