Specials
Spiegel
Teslatrafo
HV-Trafo
HV - Netzteil
Generator
Verzerrer
Lauflicht
Relais
Stepseparator
Lichtautomat
Sprachfilter
Motorsteuerung
Blinklicht
Vorverstärker
Nachlauf
Leistungssteller
Klangregelung
Stepseparator

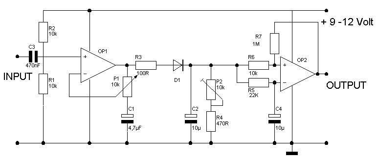
Die vorgestellte Schaltung ist dann interessant, wenn man z. B. ein Lauflicht oder einen anderen Lichteffekt via Musik steuern möchte.

Die meisten Effektgeräte mit Musiksteuerung funktionieren nur recht schlecht. Das liegt daran, dass lediglich ein Mikrofonverstärker zum Einsatz kommt. Bei diesen Schaltungen ist der Effekt dann entweder immer an oder aus.

Darum jetzt Abhilfe.

Da die Schaltung frequenzselektiv arbeitet, reagiert diese auch nur auf den Step.

Ist erst mal der Abgleich gemacht, steht am Ausgang ein gut zu verarbeitendes Signal zur Verfügung. Sollten Sie allerdings sehr flächige Programme (Trance) hören, wird u.U. ein neuer Abgleich fällig.

Die angegebene Dimensionierung lief hier aber ohne Probleme.

Sollten Sie rechnen wollen.....

F =

       1       2 PHI R C

R5 = 22K   C  = 10µF

R2 kann 2k2 – 22k sein