Specials
Spiegel
Teslatrafo
HV-Trafo
HV - Netzteil
Generator
Verzerrer
Lauflicht
Relais
Stepseparator
Lichtautomat
Sprachfilter
Motorsteuerung
Blinklicht
Vorverstärker
Nachlauf
Leistungssteller
Klangregelung
Motorsteuerung

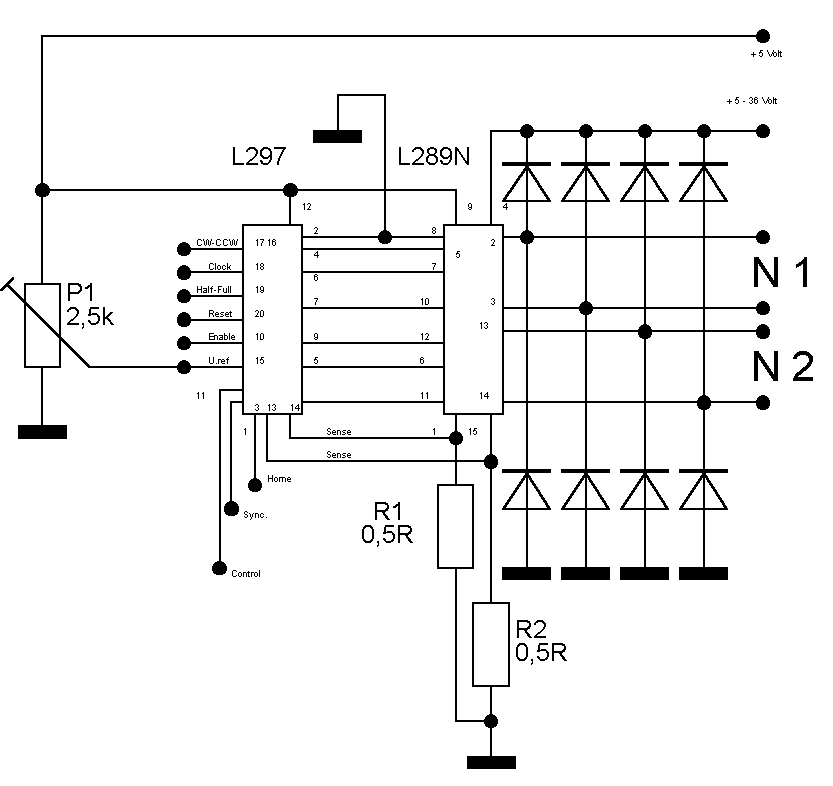
Die im Bild vorgestellte Schaltung basiert auf einer ST - SGS - Thomson Applikation.

Bitte beachten Sie die Rechte Dritter.

Der Baustein L297 erzeugt die Steuersignale für die Leistungsstufe im L298N.

Sollten Sie einfach nur einen Schrittmotor laufenlassen wollen, legen Sie beim L297 die Anschlüsse 20 + 10 auf 5 Volt und 19 auf Masse.

Auf Pin 18 einen Rechteckgenerator, und schon dreht sich die Welle.

Drehrichtung ist mit Pin 17 festgelegt.....entweder auf + oder –

Halb - oder Vollschritt Pin 19

Die Dioden sollten Schnelle <200nsec. sein .

Da die Endstufe einen weiten Spannungsbereich zulässt, sind sicher auch in Ihrer Bastelkiste verwendbare Motoren.

Andernfalls vielleicht unser Vorschlag...