Specials
Spiegel
Teslatrafo
HV-Trafo
HV - Netzteil
Generator
Verzerrer
Lauflicht
Relais
Stepseparator
Lichtautomat
Sprachfilter
Motorsteuerung
Blinklicht
Vorverstärker
Nachlauf
Leistungssteller
Klangregelung
Lauflicht

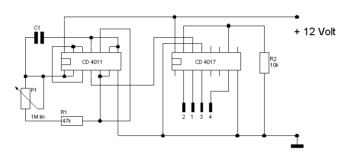
Die im Bild gezeigte Schaltung ist als 4 Kanalversion ausgelegt. Weniger oder mehr Kanäle lassen sich einfach dadurch realisieren, dass die Resetleitung von IC 2 nicht auf Pin 10, sondern auf den in der Tabelle aufgeführten Pin gelegt wird.

Sollten alle 10 Ausgänge benötigt werden, wird die Resetleitung einfach auf Masse gelegt. Der 10 K Widerstand entfällt dann. Die Laufgeschwindigkeit wird durch C1 und P1 bestimmt. Meistens ist 1 µF ein guter Wert. Sollte es zu schnell sein, kann man auch  5µF nehmen, aber keine Elkos. Die Ausgänge können Solid -State - Relais direkt ansteuern, sodass direkt grosse Leistungen gesteuert werden können.

  • Pin  1 Decoded 5
  • Pin  2 Decoded 1
  • Pin  3 Decoded 0
  • Pin  4 Decoded 2
  • Pin  5 Decoded 6
  • Pin  6 Decoded 7
  • Pin  7 Decoded 3
  • Pin  8 Masse
  • Pin  9 Decoded 8
  • Pin 10 Decoded 4
  • Pin 11 Decoded 9
  • Pin 12 Carry - out
  • Pin 13 Clock - enable
  • Pin 14 Clock
  • Pin 15 Reset
  • Pin 16 + Ub

Bitte bedenken Sie ....... alle IC’s mit 100nF abblocken.

Solid - State - Relais haben wir an Lager, oder bauen Sie die doch gleich selbst.